Opravy, úpravy, renovace ......
26. říj 2011 16:39
Tak jsem se rozhodl konečně zapojit dálkové prskavky

. Mínus pól je celkem jasný, ale odkud nabrat plusko. Vzhledem k tomu, že jsou to dálkáče, tak by to asi mělo jít od pojistky DS, aby to chodilo jen s nimi?
Díky M
PS: chtěl bych pak dát ještě jedny( móc pěkně to vypadá

), v mlze asi moc jezdit nebudu, tak zřejmě ještě jedny dálkový. Existují různé typy, aby to nebyly čtyři identický.
26. říj 2011 17:08
ahoj Ivane, každopádně to nedávej na stávající elektriku jen tak, ale přes relátko nebo ti ta elektrika v autě vyhoří... já jsem si to zapojoval sám ale existujou i sady na zapojení přídavných světel najdeš to na netu myslim že to měli na minispares ale pujde to asi najít ui u nás, nebo nakoupit dvě relátka kabely pojistky a konektory a činit se
26. říj 2011 22:07
Pojistky pro dálková světla jsou trubičkové,(teda ja v autech do roku vyroby 1992 je tam měl) schované v přední masce. jedna pro levé a jedna pro pravé dalkové světlo.Nedaval bych tam dvě rele, použil bych jeden plus pol z pojisty a tim bych spinal obě přídavné dalkové. navíc mužeš relé umistít někde kolem přední masky ,ať nemusiš zbytečne tahat tam i zpět po motorovém prostoru silové draty k rele.
Není potřeba nic objednávat, zapoji ti to každy autoelektrikář, potřebuješ k tomu jedno rele, pojistkové pouzdro , vypínač a kabel.
26. říj 2011 23:50
jasný , pokud chceš všechny čtyři dálková tak stačí jedno rele , já mám dvě mlhovky a dvě dálky tak dva okruhy, a tu sadu jsem zmínil proto kdyby to chtěl zapojovat sám tak je to jednodušší
29. říj 2011 12:30
To relé má nějaký stanovený parametry? Abych nebyl v Mototechně za trubku. A pojistky musí být dvě?. Na krabici se světly byl nákres jen s jednou a bez relé. Má někdo schéma, jak to má vypadat a odkud kam vést?. Díky M
29. říj 2011 13:31
CAU
Ještě jsem to na svém ještě nezapojil,ale relé už mam (
http://www.gme.cz/rele-s-dc-civkou/relauto12v-60a-p634-554/).Nejsnažší je asi připojit cívku od relé na drát co vede k dálkovejm a druhý na kostru.Spínací kontakt přes pojistku na + a druhý na světla.Pojistka záleží na výkonu žárovek (celkový výkon dělíš napětím ).Já si je osobně si to dám ještě přes vypínač aby to šlo vypnout.
14. lis 2011 16:42
Tak jsem to celý pospojoval, ale nemůžu najít drát od spínače dálkovejch - na elektrická schemata jsem mimo. Asi to vede k tomu žlutýmu relátku, ale kdyby mi někdo popsal na kterej drát to připojit ( jakou má barvu), byl bych štěstím bez sebe. Díky M
PS je to SPi čko
14. lis 2011 18:05
Hledat na Autě se mi to nechce.
Osobně bych připojil relátko na drát který vede podle podběhu k přednímu světlu.Podle schématu by to měl být modro/bílej.
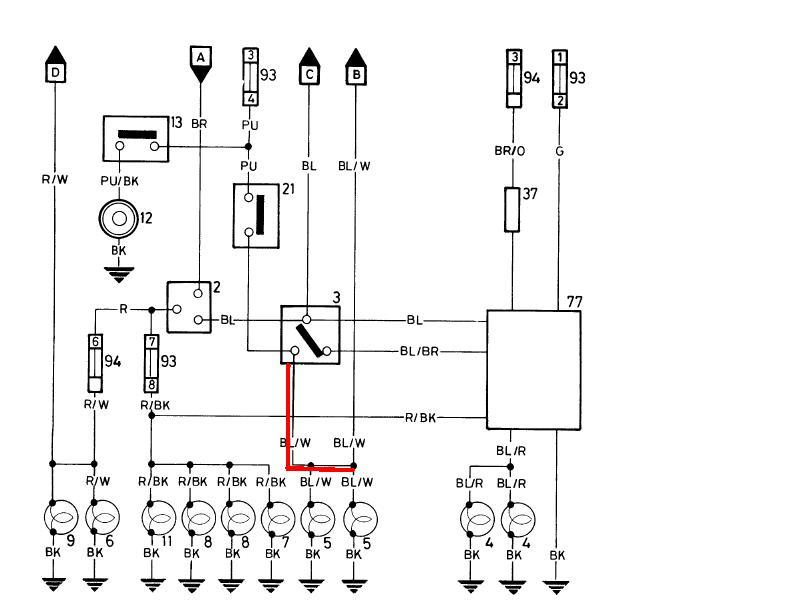
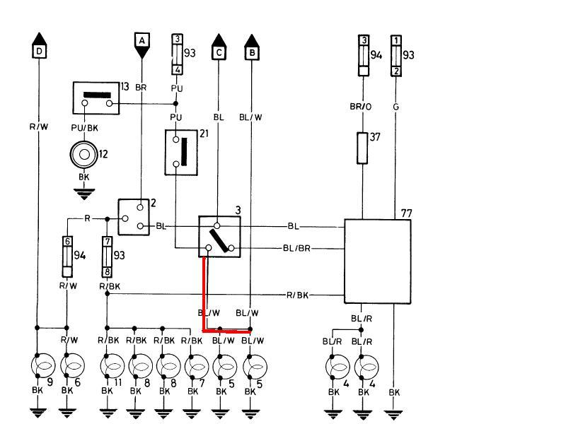
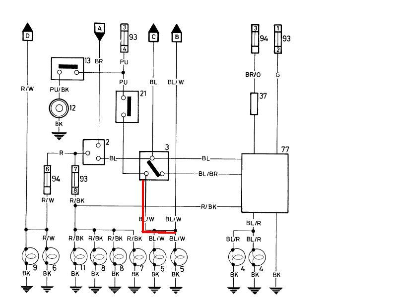
Je to divné ale ve schématu relátko není.

- Bez názvu.JPG (49.49 KiB) Zobrazeno 6629 krát
Červeně jsem ti označil drát k světlům.4 jsou potkávací,5 dálkové.
14. lis 2011 20:02
Díky, já si poplet světla, myslel jsem, že main beam jsou hlavní světla (potkávačky). Jde mi o to, kam se napojit, aby to při zapnutejch dálkovejch svítilo a při vypnutí zhaslo. Zatím se mi to při secvaknutí vloženého spínače rozvítilo bez ohledu na dálkáče. Ale snad to nějak ve schematu vyluštím. M
Powered by phpBB © phpBB Group.
phpBB Mobile / SEO by Artodia.