Opravy, úpravy, renovace ......
30. pro 2013 15:08
Neměl by prosím někdo el. schéma na Innocenti Mini cooper 1300 Mk3? Děkuju
01. led 2014 20:17
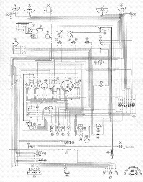
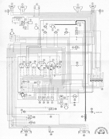
tak kluci mam max. tohle.
- Přílohy
-

- wiring_diagram.jpg (63.68 KiB) Zobrazeno 5320 krát
01. led 2014 20:18
muzu vam to poslat emailem větší...............
Powered by phpBB © phpBB Group.
phpBB Mobile / SEO by Artodia.