Opravy, úpravy, renovace ......
08. zář 2017 21:39
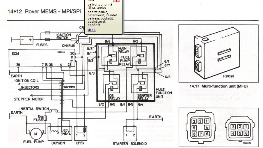
Zdarec, namontoval jsem zadní HILO a když jsem vrátil nádrž nenabíhá mi čerpadlo. Jak jsou tam ty kablíky. Mám tam 3. Černej jde nahoru a je rozdvojenej, pak je tam bílo červenej a snad zelenej. Na bočním bendžu jsou dva konektory. jeden z těch barevnejch kablíků dává přerušovanej proud - bliká mi zkoušečka. Nemáte obrázek, jak je to zapojený, popř. můžete to vyfotit. Je to SPI.
PS: kde v elektrice může být problém - nárazový vypínač , relé, jiná pičovina? Díky M
10. zář 2017 07:35
Ahoj
ty dva na boku jsou jen na plovák , ty nemají s čerpadlem nic spololečného.
Problem bych viděl V relátku nebo spínači. Mě to občas zastávkuje a je to pokazdé konektor na relé.
11. zář 2017 22:41
Díky. nakonec jsem měl bordel v kabeláži

a přepálenou pojistku

. Teď už dokonce ukazuje i palivoměr